[테크월드=선연수 기자] 기후변화에 대처하기 위해서는 자동차 이산화탄소 배출량과 연료 소비를 줄여야만 한다. 많은 국가가 자동차 제조업체에 이런 것을 지키도록 법적으로 강제하고 있다. 이를 대비할 수 있는 방법 중 하나가 ‘하이브리드화(Hybridization)’다. 이는 보조배터리를 통해 가솔린이나 디젤 자동차의 구동 체인에 전기 모터를 추가하는 방법이다.

기존 방식인 전기화(Electrification)는 고성능 전기 모터와 결합해 300~400V 범위의 고전압 배터리를 일반적으로 사용해 왔다. 이런 '풀 하이브리드' 차량은 상당한 연비를 제공할 수 있지만, 높은 비용과 중량이 발생하는 단점이 있다. 또한, 교류(AC) 콘센트를 통해 배터리가 충전되는 이른바 '플러그인' 하이브리드에도 비슷한 단점이 있을 수 있다.
대안은 소형 48V 배터리를 사용해 전기 모터를 구동하는 '마일드 하이브리드 전기차(MHEV)’다. 이는 빠른 가속도와 로우 엔드 토크(Low-end torque)를 제공하면서도 연비를 개선하고 비용과 복잡성을 많이 높이지 않는다. 이런 이점으로 인해 마일드 하이브리드 시스템은 소비자들에게 인기가 있으며, IHS 마킷은 2025년까지 하이브리드 자동차 판매의 약 50%가 48V MHEV가 될 것으로 예측한 바 있다. 48V 시스템의 낮은 비용은 자동차 제조사들에도 매력적인 요소다.
48V 리튬이온 배터리를 추가함은 MHEV가 이중전압 차량이라는 것을 말한다. 시스템 효율을 유지함과 동시에 배터리의 충·방전 주기를 관리해야 하는 자체 설계상의 도전 과제가 있음을 의미하기도 한다. 이번 글에서는 이런 도전 과제에 대해 논의하고, 질화갈륨(GaN) 기술에 기반한 새로운 와이드 밴드갭(WBG) 트랜지스터, 자동차 파워 모듈(APM, Automotive Power Module)을 사용함으로써 파워 컨버터가 얻는 이점에 대해 살펴본다.
48V 하이브리드 아키텍처
가장 기본적인 하이브리드 시스템[그림 1]에는 배터리, 통합 스타터 제너레이터(ISG, Integrated Starter Generator), 48V-12V 컨버터, 안정화 시스템과 같은 하나 이상의 48V 부하 등이 포함된다. 48V 마일드 하이브리드는 12V 배터리와 다수의 12V 부하를 유지해 이들 시스템은 가까운 시일 내에 이중 전압 아키텍처를 가질 것이다.

ISG는 차량의 전력 생성과 차량 시동·제동 중 회생에너지의 회수를 담당한다.
12V 배터리와 연결된 시스템은 12V의 교류 발전기를 뺀 것을 제외하고는 그대로 유지된다. 내연기관에서 12V 전력을 소싱(Sourcing)할 수 있는 발전기가 없기에 양방향 컨버터를 통해 48V 전원을 12V 시스템으로 전송해야 하며, 반대의 경우도 마찬가지다.
MHEV 양방향 컨버터 작동 방식
양방향 컨버터는 여러 가지 작동 모드를 가진다. 먼저, 차량 시동 중에 ISG의 전류를 48V 리튬이온 배터리에서 끌어온다. 48V 배터리의 충전량이 충분하지 않거나(예를 들어 낮은 기온으로 인해) 충분한 전력을 공급할 수 없는 경우, 컨버터는 부스트 모드로 동작해 시동에 필요한 추가적인 전류를 12V 배터리에서 끌어온다. 일반적으로 모든 시스템이 정상적인 동작 온도에 도달할 때까지 엔진 시동·정지 기능이 제한되며, 정상 온도에 도달하면 차량 재시동이 시작된다.
자동차의 온도가 적절하고 주행 중에 추가 가속이 필요하지 않은 경우, 컨버터는 벅 모드(Buck mode)로 전환돼 48V 배터리로부터 전류를 끌어와 12V 배터리를 충전하고 12V 부하에 공급된다. 추가적인 전력 소모를 필요로 하면 컨버터가 다시 한번 부스트 모드로 전환돼 내연기관을 지원하고 연료 소비량을 줄이며 전반적인 배기량을 줄여준다.
컨버터 토폴로지 선택
일반적으로 48V에서의 12V 컨버터는 전력 범위가 1kW에서 3kW 정도로 큰 편이다. 해당 범위에서 높은 효율을 유지하기 위해서는 멀티스테이지 인터리브드(Interleaved) 벅-부스트 컨버터를 사용하는 것이 가장 대중적인 방법이다.
이 경우 벅 토폴로지는 48V에서 12V로 전력이 흐르게 하는 반면, 부스트 토폴로지는 반대 방향으로의 전력 흐름을 제공한다. 싱크로너스(Synchronous) 토폴로지는 두 모드에서 전원 스위치를 대부분의 시간 동안 풀 온(Full-on) 상태로 유지해 컨버터의 전반적인 효율을 높여준다.
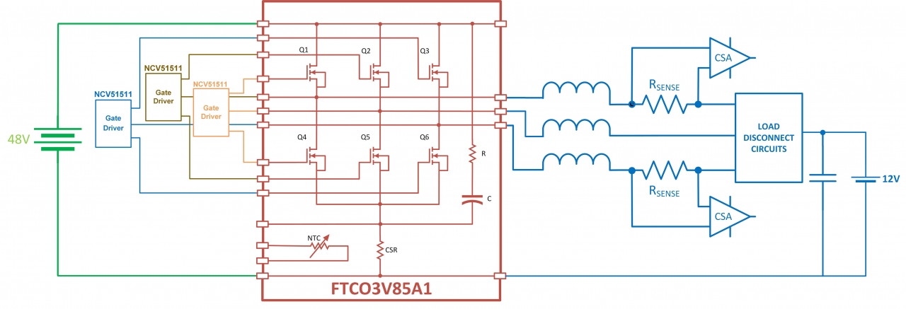
멀티 페이즈(Phase) 인터리브드 설계는 여러 개의 동일한 컨버터를 병렬로 연결해, 하나의 고출력 컨버터로 기능할 수 있도록 한다. [그림 2]는 단일 페이즈의 예를 보여준다. 과부하에서는 모든 컨버터가 작동하지만 부하가 낮은 기간에는 배터리 차단 스위치를 통해 일부의 스위치를 끌 수 있어 손실이 적고 효율이 올라간다.

각 컨버터는 조금 다른 위상의 출력 전류를 생성해 출력 커패시터의 리플(Ripple)을 감소시킨다. 하나의 대형 컨버터가 아닌 인터리빙을 사용하면 각 컨버터의 전류가 낮아져 전원 스위치, 컨덕터, 인덕터의 스트레스가 낮아지는 의미도 있다[그림 3].
이 컨버터의 주요 구성요소는 소스 차단 스위치(Source-disconnect switch), 벅-부스트 하프 브릿지(Buck-boost half bridge), 전류 감지 스테이지(Current sensing stage), 메인 인덕터, 부하 차단 스위치(Load-disconnect switch)다.

싱크로너스 벅 부스트 컨버터는 단상의 스위치 2개를 사용하는 회로다. 컨버터 스위치는 주된 에너지 변환 구성 요소인 인덕터의 전류 흐름을 제어한다. 인덕터 전류는 우수한 시스템 정확도를 유지하는 데 가장 중요해 1순위로 제어해야 할 변수다.
인덕터 전류의 방향에 따라 전력 흐름의 방향이 정해지며 어떤 배터리가 전류를 공급받는지도 결정된다. 시스템 컨트롤러는 적절한 스위치 패턴을 생성함으로써 전류의 방향을 정한다[그림 4].

컨버터 설계 고려사항
[표 1]은 필수적인 주요 회로 구성 요소를 요약해 보여준다. 소스 차단과 부하 차단 단계는 다수의 MOSFET 또는 통합 MOSFET 전원 모듈을 사용할 수 있다. 이 단계는 백투백(Back-to-back) 스위치를 통해 각 인터리브드 단계의 입력과 출력을 다른 컨버터, 48V(소스), 12V(부하) 배터리와 각각 분리하는 것을 목적으로 한다. 각 장치는 고전압 구동 기능을 가진 게이트 드라이버에 의해 제어된다. MOSFET이 플로팅(Floating) 전압에서 동작하기 때문이다. MOSFET은 장기간 전도(Conduction)를 유지해야 할 수도 있어 100% 온타임 구동을 지원해야 한다.

벅-부스트는 컨버터의 심장과도 같다. 이는 전원 인덕터에 연결된 하프 브리지 구성의 두 MOSFET으로 구성되며, MOSFET은 개별 IC 또는 듀얼 IC인 하이·로우 사이드 게이트 드라이버에 의해 제어될 수 있다. 아니면 [그림 5]와 같이 소형 모듈(APM)을 사용해 이 단계를 구현할 수 있다.

온세미컨덕터는 AEC 인증 패키지로 열 저항과 내부 전기 저항이 낮고 EMI 성능이 개선된 통합 전원 모듈을 제공한다. 이는 소스 차단 서킷을 사용하지 않으며 개별 컨버터 분리에 대해 부하 차단 서킷을 사용할 수 있다.
메인 파워 인덕터는 각 컨버터의 에너지를 저장하여 양쪽 배터리로 전달한다. 컨버터 컨트롤러는 전력 흐름 방향을 결정하는 두 개의 메인 스위치를 제어한다. 이 단계가 올바르게 동작하려면 전류를 정확하게 측정해 메인 인덕터 전류를 적절히 조정해야 한다. 이때 전류 검출 저항기에 기초한 전류 감지 증폭기를 사용하는 것이 매우 낮은 오차를 가지므로 가장 이상적이다.
정밀 전류 검출 저항기를 사용하면 주로 수십 또는 수백 밀리볼트 수준의 상당히 작은 차동 전압을 측정할 수 있다. 그러나 션트(Shunt) 전압 자체는 접지에 대해 0~48V 범위에 걸쳐 있다. 이렇게 큰 차이는 앰프가 최대 80V의 과도 전압을 견디면서 작은 차동 신호를 증폭하고 높은 공통 모드 전압 제거를 지원해야 함을 의미한다. 따라서 다음의 앰프 사양 3가지를 신중하게 골라야 한다.
- 공통 모드 전압 범위(넓을수록 좋음)
- 입력 오프셋 전압(작을수록 좋음)
- 공통 모드 제거 비율(높을수록 좋음)
기존 연산 증폭기에서 입력 단자 전압은 공급 레일에 ±0.6V로 한정돼 공통 모드 전압 범위가 극히 제한된다. 최근 몇 년간 전용 전류 감지 증폭기는 최대 80V의 훨씬 큰 공통 모드 전압 범위를 제공해왔다. 최대 10µV 오프셋의 높은 정밀도를 제공해 정확하고 빠른 전류 모니터링 시스템도 지원하고 있다.
GaN을 이용한 컨버터 설계
차량용 애플리케이션의 크기와 효율 개선이 요구되는 상황 속에서 온세미컨덕터는 WBG소자로 표준 실리콘 소자에 대한 대안을 제시한다.
GaN 소자는 효율을 높이고 크기를 줄이는 동시에 총 시스템 비용까지 절감해준다. 스위칭 손실을 크게 줄여 GaN을 이용한 벅 컨버터는 일반 실리콘 파워 트랜지스터보다 몇 배 더 빠른 속도로 전환할 수 있다. AM 전파 수신에 영향을 줄 수 있는 주파수 범위의 EMI 간섭을 최소화할 수 있다. 또한, GaN 트랜지스터는 역회복손실이 없어 하드 스위칭(Hard switching) 전환 시 발생하는 큰 전류 스파이크나 전력 손실을 없애준다.
결론
신형 MHEV가 널리 보급됨에 따라 48V 배터리 시스템을 갖춘 자동차들도 많아졌다. 이제는 48~12V의 컨버터는 필수적인 요소가 됐다. 여태 다양한 컨버터 토폴로지가 보급돼 왔으나, 그중 양방향 인터리브드 싱크로너스 벅-부스트 컨버터는 고유의 단순성과 높은 효율성 덕분에 가장 널리 사용돼 왔다.
이 토폴로지는 다수의 인터리브드로 설계할 수 있어 넓은 운용 범위에서 높은 효율을 달성하도록 돕는다. 이는 시간이 지남에 따라 12V 차량 부하가 크게 달라지기 때문에 중요한 부분이다. 컨버터가 최대 부하 지점에서 기능해야 함에도 불구하고 해당 지점에 오래 머무르지 않기 때문에 중요하기도 하다. 부하가 작을 때 불필요한 컨버터를 동작시키지 않아 손실을 줄이고 효율성을 높게 유지할 수 있다.
글: 존 그라보스키(John Grabowski) 온세미컨덕터 EV·HEV 시스템 애플리케이션 총괄
자료제공: 온세미컨덕터
- 이 글은 테크월드가 발행하는 월간 <EPNC 電子部品> 2020년 12월 호에 게재된 기사입니다.
그래도 삭제하시겠습니까?



