높은 안전성과 고신뢰성, 그리고 30% 긴 수명 달성
[테크월드=선연수 기자]

배터리 모니터링 시스템은 다양한 시장의 기반을 이루는 중요한 기술이다. 배터리는 전기차를 더 오래 달릴 수 있게 하고, 스마트 그리드를 위해 재생 에너지를 저장하는 등 광범위한 애플리케이션에서 핵심적인 역할을 맡는다. 이와 유사한 배터리 기술은 병원에서 수술의 안전성을 높이고 장비를 자유롭게 이동시키는 등 의료용 기기에도 사용된다. 이런 모든 애플리케이션은 모니터링, 밸런싱, 보호, 통신을 위해 보다 정확하고 효율적인 반도체를 요구하는 배터리에서 실행된다. 이 글에서는 셀 밸런싱과 절연 통신 네트워크를 포함한 첨단 배터리 모니터링 시스템이 새로운 리튬 배터리 화합물의 이점을 어떻게 활용하는지에 대해 살펴본다. 특히 대규모 에너지저장장치(ESS, Energy Storage System)에서 집적 회로를 통해, 더 높은 신뢰성을 달성하고 배터리 수명을 30%까지 늘릴 수 있다.
의료용 ESS의 필요성
의료용 애플리케이션에 사용되는 배터리는 흉부 압박 시스템과 같은 환자의 휴대용 시스템, 병원 응급실 장비, 전동 의료 카트와 침대, 휴대용 초음파 기기, 원격 모니터링, 그리고 최근 급부상하는 ESS를 포함해 배터리가 사용되는 모든 애플리케이션에서 고신뢰성, 고효율, 매우 높은 안전 표준을 만족해야 한다.
ESS는 환자와 직접 연결되지 않으며, 의사가 직접 관리하지 않는 부분이다. 이 장치들은 무정전 전원장치(UPS)를 위한 다음 단계로서, 기존의 UPS는 응급실 장치, IT 네트워크의 핵심적인 인프라와 같이 가장 중요한 애플리케이션의 백업 전원으로 사용돼왔다. 병원용 ESS는 리튬 기반 배터리에 의해 새롭게 구현되면서 점점 더 많은 기능들을 포함하게 된다. 이로써 병원의 전력 그리드에 완전히 통합돼 다음과 같은 장점을 가져다준다.
▲일부 주요 시설뿐만 아니라 전체 시설을 위한 백업 전원, 그리드의 불량한 전력/전압 품질로부터의 보호, 비상 디젤 발전기의 사용 감소를 지원한다. 메가와트시(MWh) 규모의 ESS를 사용할 경우 병원은 장시간의 정전에도 가동할 수 있으며, 이는 그리드 안정화에 기여한다.
▲ESS를 사용해 병원이 전기 사용 프로파일을 직접 제어함으로써 높은 전력 피크의 수요를 줄일 수 있어 전기 요금을 절감한다.
대체로 병원은 지붕 면적이 넓은 경우가 많아 태양광(PV) 발전에 적합하다. PV 시스템을 ESS와 결합하면 발전된 전기를 저장하고 자체적으로 사용할 수 있어, 효율적으로 운용할 수 있으며, 탄소 화합물 배출 또한 줄일 수 있다.
배터리 유형별 특징

리튬 기반 화합물은 자동차부터 산업용, 의료용에 이르기까지 다양한 시장 속 배터리를 위한 첨단 소재다. 리튬 배터리는 종류마다 각각의 장점이 있어, 다양한 애플리케이션과 제품 설계의 전력 요구사항에 적합한 설계를 제공할 수 있다. 예를 들어 리튬 코발트산 배터리(LiCoO2)는 매우 높은 단위 질량 당 에너지(Specific energy)를 가져 휴대용 제품에 적합하다. 그러나 리튬 망간산 배터리(LiMn2O4)는 내부 저항이 매우 낮아 빠른 충전과 높은 전류 방전이 특징으로, 피크 쉐이빙(Peak shaving) 에너지 저장 애플리케이션(전력 수요가 많은 시간에 배터리에서 방전, 나머지 시간에 충전해 최대 전력수치를 줄이는 방법)에 적합하다. 리튬 인산철 배터리(LiFePO4)는 완전 충전 조건을 견뎌내므로 높은 전압에서 장시간 유지돼, 정전 중에도 작동해야 하는 대형 ESS에 매우 적합하다. 자체 방전율이 높다는 단점이 있으나, 이는 앞에서 언급한 저장장치 구현과는 관련이 없다.
애플리케이션의 여러가지 상황들로 인해 다양한 유형의 배터리가 요구된다. 예를 들어, 자동차 애플리케이션에서는 높은 신뢰성, 우수한 충·방전 속도가 중요한 요소지만, 의료 부문 애플리케이션은 효율을 위한 높은 피크 전류 지속성과 긴 수명을 원한다. 그러나 모든 솔루션들이 요구하는 공통적인 요소는 다양한 리튬 화합물이 모두 공칭 전압 범위 내에서, 매우 평탄한 방전 곡선을 갖는 것이다[그림 2]. 표준 배터리에서는 500mV~1V 범위의 전압 강하를 볼 수 있으나, 리튬 인산철(LiFePO4)이나 리튬 코발트산(LiCoO2)과 같은 첨단 리튬 배터리에서는 방전 곡선이 50~200mV 범위의 전압 강하를 갖는 평탄 구간을 나타낸다.

전압 곡선의 평탄도
전압 곡선의 평탄도는 배터리 전압 레일에 연결된 IC의 전력 관리 체인에 많은 영향을 준다. 이는 DC-DC 컨버터를 작은 입력 전압 범위로도, 최대 효율 지점에서 동작하도록 설계할 수 있기 때문이다. 기존의 VIN에서 아주 가까운 VOUT으로 변환함으로써, 시스템의 전력 체인은 벅·부스트 컨버터의 이상적인 듀티 사이클을 갖도록 설계해, 모든 동작 조건에서 99% 이상의 효율을 달성할 수 있다. 뿐만 아니라 배터리 충전기는 충전 전압의 목표를 설정하고, 안정적인 동작 전압에 따라 부하의 크기를 지정해, 원격 모니터링이나 환자의 체내 전자장치와 같은 최종 애플리케이션의 정밀도를 높일 수 있다. 예전의 배터리 화합물이나 평탄하지 않은 방전 곡선을 갖는 배터리로 동작하는 경우, DC-DC 변환은 효율이 낮아 배터리 지속시간이 짧거나(-20%), 의료용 휴대 기기와 연결 시 추가 전력 소모로 인해 더 자주 충전해야 한다.
평탄한 방전 곡선의 배터리 충전 상태(SOC)와 성능 상태(SOH) 정격을 결정하는 것은 훨씬 어려운 일이다. 배터리가 적절히 충·방전하도록 보장하려면 SOC를 매우 높은 정확도로 계산해야 한다. 과충전은 안전 문제를 발생시키고, 화합물 성능 저하와 단락을 일으키며, 화재나 가스 유출 위험을 초래할 수 있다. 또한, 과방전은 배터리를 손상시키고 배터리 수명을 50% 이상 단축시킬 수 있기 때문이다. SOH는 배터리 상태 정보를 제공함으로써 양호한 배터리 교체를 방지하고, 문제가 나타나기 전에 불량한 배터리의 상태를 모니터링할 수 있도록 한다. 메인 마이크로컨트롤러는 실시간으로 SOC와 SOH 데이터를 분석하고 충전 알고리즘을 적용해 사용자에게 배터리의 잠재 상태를 알려준다(예를 들어 전력 공급 중단 시 배터리가 고전류 과방전 상태가 되려고 하는 경우). 또한, 대형 ESS에서는 양호한 배터리와 불량 배터리 간 균형을 최적화해 전체 배터리의 수명을 늘린다.
가파른 방전 곡선을 갖는 매우 오래된 배터리의 경우, 짧은 시간대로 전압 강하의 증분을 측정해 배터리 전압의 절대값을 알아내고 배터리의 충전 상태를 쉽게 계산할 수 있다. 리튬 기반 배터리는 주어진 시간 프레임에서 전압 강하가 훨씬 작기에, 측정 정확도는 수백 배 더 높게 나타난다.
SOH에서 구형 배터리는 더 빠르게 방전되며, 이는 예측할 수 있는 방식으로 진행된다. 이 배터리의 전압 방전 곡선은 더 가파르며 목표 충전 전압에 도달하지 못한다. 반면, 리튬 배터리는 장점이되는 동일 특성을 더 오래 유지하지만, 예외적인 동작으로 인해 성능이 저하될 수 있고, 수명이 다해가거나 손상될 경우 임피던스와 방전 곡선이 빠르게 변한다. 즉, 온도 측정 시에는 각별한 주의가 필요하다. 이상적으로 모든 단일 셀에 대해 수행하고 SOC와 SOH 알고리즘을 데이터와 통합해 정확도를 더욱 높여야 한다.
정밀하고 신뢰할 수 있는 SOC와 SOH 계산으로 배터리 수명을 10년에서 최대 20년으로 연장할 수 있으며, 통상 수명은 30% 향상시킬 수 있다. 이를 통해 ESS의 전체 소유 비용은 유지보수 비용을 포함해 30% 이상 절감된다. 이러한 향상을 SOC 정보의 더 높은 정확도와 결합해, 배터리를 빠르게 고갈시키는 과충전이나 과방전 조건을 방지하고 단락 회로나 화재 등의 위험 발생 가능성을 최소화한다. 또한, 배터리의 모든 에너지를 사용하도록 지원해 가장 효율적인 방법으로 배터리를 충전할 수 있도록 만든다.
배터리 모니터링 시스템의 구현
이 글에서 제안하는 LTC6813 배터리 관리 솔루션(BMS, Battery Management Solution)은 휴대용 초음파 기기와 같은 의료기기, 대규모(메가와트/시) ESS(병원, 공장, 그리드 안정화, 전기차 충전 인프라, 주택용 장치)뿐 아니라 산업용 로봇과 차량에도 사용할 수 있다. ADI 기술의 이식성(Portability)은 각종 열악한 환경에서 동작하도록 설계됐으며, 자동차 ASIL부터 산업 SIL(VDE AR 2510-2/-50, IEC EN 61508 등)에 이르기까지 다양한 기능 안전 표준을 준수하므로 신뢰성과 안전 면에서 탁월한 이점을 제공한다[그림 3].
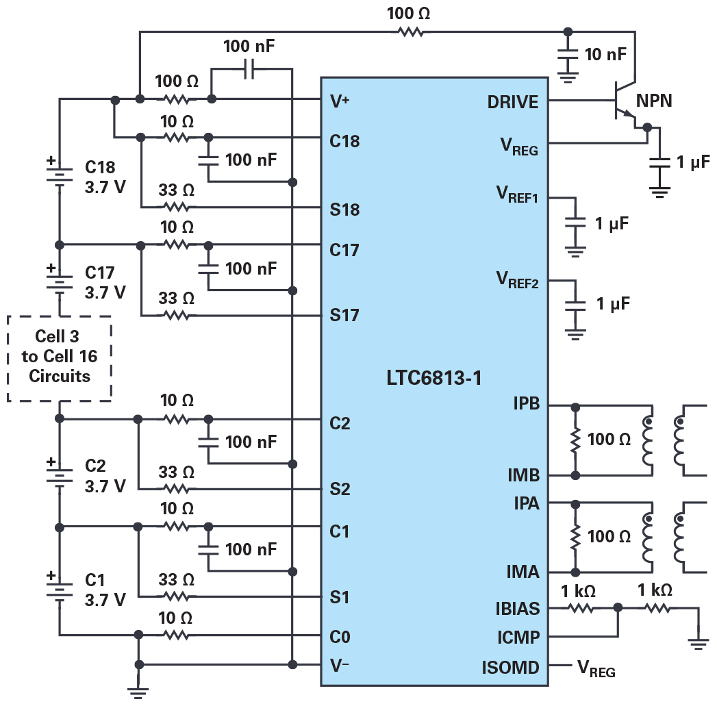
효율과 신뢰도가 높은 배터리 모니터 시스템의 구현은 18셀 모니터, 밸런스 IC, 마이크로컨트롤러, SPI 슬레이브 절연 인터페이스를 통합한 것이다. 멀티셀 배터리 스택 모니터는 최대 18개의 직렬 연결된 배터리 셀을 2.2mV 미만의 전체 측정 오차로 측정한다. 셀 측정 범위는 0~5V로 대부분의 배터리 화합물에 적합하다. 모든 18개 셀은 290μs 내에 측정할 수 있으며, 더 낮은 데이터 수집 속도를 선택하면 잡음을 크게 줄일 수 있다.
여러 개의 스택 모니터 디바이스를 직렬로 연결해 긴 고전압 배터리 스트링을 동시에 셀 모니터링할 수 있다. 각 스택 모니터는 isoSPI 인터페이스를 탑재해 고속, RF 내성, 장거리 통신을 제공한다. 다수의 디바이스는 데이지 체인 방식으로 연결해, 모든 디바이스에 1개의 호스트 프로세서가 연결된다. 데이지 체인은 양방향으로 동작할 수 있어 통신 경로에 오류가 발생해도 통신 무결성을 보장한다. IC는 배터리 스택이나 절연된 전원으로부터 직접 전력을 공급받을 수 있다. IC는 각 셀에 대한 수동 밸런싱을 포함하며, 각 셀에 개별 펄스 폭 변조(PWM, Pulse Width Modulation) 듀티 사이클 제어를 제공한다. 그 밖의 기능으로는 온보드 5V 레귤레이터, 범용 I/O 라인 9개, 전류 소모를 6μA로 줄여주는 슬립 모드 등이 있다.

BMS 애플리케이션의 단기 또는 장기적인 정확도 요구로 인해, 디바이스는 밴드갭 레퍼런스가 아닌 매립형 제너 변환 레퍼런스를 사용한다. 이는 안정적이고 낮은 드리프트(20ppm/√), 낮은 온도 계수(3ppm/°C), 낮은 히스테리시스(20ppm)의 1차 전압 레퍼런스와 함께 장기적인 안정성을 제공한다. 레퍼런스는 이후의 모든 배터리 셀 측정에 대한 기초가 되며, 오차가 수집된 데이터의 신뢰도, 알고리즘 일관성, 시스템 성능에 누적된 영향을 미치기 때문에 정확도와 안정성은 핵심적인 부분이다.
높은 정확도를 갖는 레퍼런스는 성능 보장에 필수적인 부분이나, 이것만으로는 충분하지 않다. 시스템의 고전류/전압 인버터의 PWM 과도 상태로 인해, 전기 잡음이 존재하는 환경에서 아날로그-디지털 컨버터 아키텍처와 동작은 이런 환경 규격을 만족해야 한다. 또한, 배터리의 충전과 성능 상태를 정확히 평가하기 위해서는 관련 전압, 전류, 온도를 측정해야 한다.
시스템 잡음이 BMS 성능에 영향을 미치기 전에 이를 완화하기 위해, 스택 모니터 컨버터는 사용자가 선택할 수 있는 6개의 필터 옵션을 지원하는 ∑-Δ 토폴로지를 사용해 잡음 환경에 대처한다. ∑-Δ 방식은 평균화 필터링 기능으로 변환 당 많은 샘플들을 사용하는데, 이 특성으로 전자기 간섭(EMI)과 다른 과도 상태 잡음의 영향을 감소시킨다.
셀 밸런싱
병원의 소규모 그리드나 서브그리드로의 전력 공급에 사용되는 대형 ESS와 같은 셀이나, 모듈 그룹으로 정렬되는 대형 배터리 팩을 사용하는 모든 시스템에서는 셀 밸런싱을 요구한다. 대부분의 리튬 셀은 처음 사용 시 잘 정합되지만 노화함에 따라 용량이 줄어든다. 노화 프로세스는 팩 온도의 변화 등 셀마다 원인이 다를 수 있다. SOC 제한을 넘어 동작할 수 있는 셀은 조기에 노화되며, 추가 용량을 잃어버리면서 전체 프로세스를 악화시킨다. 이런 용량 문제는 자체 방전과 부하 전류 간의 작은 차이와 결합돼 셀 불균형을 초래한다.
셀 불균형 문제를 해결하기 위해 스택 모니터 IC는 사용자가 설정할 수 있는 타이머와 수동 밸런싱을 지원한다. 수동 밸런싱은 배터리 충전 사이클 동안 모든 셀에 대해 SOC를 정규화하는 저비용의 간단한 방법이다. 낮은 용량의 셀에서 전하를 제거함으로써 셀의 과충전을 방지한다. 또한, IC는 능동 밸런싱을 제어하는 데 사용할 수 있다. 여기서 능동 밸런싱은 충·방전 사이클을 통해 셀 간 전하를 이동시키는 더욱 복잡한 밸런싱 기법이다.
능동 또는 수동 방법 모두 셀 밸런싱은 높은 측정 정확도에 의존한다. 측정 오차가 증가하면 시스템이 설정하는 동작 가드 밴드를 증가시켜야 하므로 밸런싱 성능 효과가 제한된다. SOC 범위가 제한되면 오차에 대한 민감도도 증가하게 된다. 전체 측정 오차가 1.2mV 미만이면 배터리 모니터링 시스템을 위한 요구사항을 충족한다.
ESS 통신 인터페이스
ESS에서 통신 루프는 모든 배터리 셀을 연결하기 위한 필수 요소다. 루프는 데이터를 시스템의 배터리로부터 클라우드 기반 에너지 관리 알고리즘으로 전송한다. 알고리즘은 충전과 방전 이벤트를 추적해 배터리 사용을 극대화하거나, 정전 시 완충된 최고 용량 배터리를 유지하는 최적의 방법을 결정한다.
ADI의 LTC681x, LTC680x 제품군은 배터리 스택 모니터 제품으로서, 이는 마이크로컨트롤러나 프로세서가 SOC와 SOH 값을 계산하고, 충·방전 프로파일을 조정하는 마스터 장치와 통신해야 한다. 다양한 형태의 상호연결을 지원하며, ESS(400~1500V)와 고용량 배터리(40~200V)를 사용하는 휴대용 기기와 같은 고전압 애플리케이션은 절연 통신 채널이 적합하다.
LTC6813 배터리 스택 모니터에 내장된 isoSPI 기능은 LTC6820 isoSPI 통신 인터페이스와 결합할 때, 고전압 장벽에 걸쳐 안전하며 견고한 정보 전달을 지원한다. 특히 직렬 연결된 셀을 통해 수백 볼트를 생성하는 ESS에 유용하며, 상해 발생 위험을 최소화하기 위해 완전 유전체 절연을 요구한다[그림 4].

18채널 버전은 LTC6813으로 출시되며, 이처럼 18개 이상의 셀이 사용되는 저장장치는 여러 개의 LTC6813 BMS 보드를 함께 연결해야 한다. 각각의 LTC6813을 포함한 여러 개의 동일한 PCB가 견고히 상호 연결돼, 데이지 체인 방식으로 동작하도록 구성된다. 마이크로프로세서는 개별적인 PCB에 탑재되며, 마이크로프로세서 PCB와 첫 번째 LTC6813 PCB 사이의 2-wire 절연을 위해 LTC6820 지원 IC가 사용된다. 하나의 LTC6813-1만 필요할 경우, 두 번째 isoSPI 포트(포트 B)가 적절히 바이어스되고 종단된다면 이를 (데이지 체인으로 연결하지 않은)단일 디바이스로 사용할 수 있다.
밸런싱·통신 기능이 탑재된 배터리 스택 모니터의 주요 설계 과제는 잡음 없는 PCB 레이아웃 달성이다. 중요한 트레이스는 스위칭 전원과 같은 잡음원으로부터 멀리 라우팅해 스택 모니터에 깨끗한 신호를 제공한다. ADI의 솔루션은 스택 모니터의 우수한 정확도와 정밀도가 설계의 최적화를 지원해, 배터리가 효율적으로 사용됨으로써 30% 더 긴 수명을 제공하며, 더 안전하게 작동하도록 만든다.
글: 스테파노 갈리나로(Stefano Gallinaro)
자료 제공: 아나로그디바이스
- 이 글은 테크월드가 발행하는 월간 <EPNC 電子部品> 2019년 10월 호에 게재된 기사입니다.
그래도 삭제하시겠습니까?



