4000만 테스트 시간이 보장하는 TI의 ‘GaN-on-silicon’
[테크월드=선연수 기자] 반도체 소재가 실리콘(Si)의 틀을 벗어나고 있다. 옴디아(Omdia)에 의하면 올해 실리콘카바이드(SiC)와 갈륨나이트라이드(GaN) 기반 전력 반도체 매출은 8억 5400만 달러로 예상되며 전기차(EV), 하이브리드전기차(HEV), 전원 공급 장치, PV(Photovoltaic, 광전지) 인버터 등의 수요를 타고 2021년 10억 달러를 넘을 것으로 전망된다.

텍사스 인스트루먼트(Texas Instruments, 이하 TI)도 올해 2차례 GaN 솔루션을 선보였다. 글로벌 반도체 기업들은 GaN 기술을 통해 어떤 미래를 보는 것일까? TI 고전압 전력 사업부 GaN 제품군 사업 부문 스티브 톰(Steve Tom) 매니저와의 서면 인터뷰를 통해 들어봤다.
Q. 많은 반도체 업체들이 GaN의 첫 타깃 시장을 EV/HEV 등의 오토모티브 시장으로 삼는다. 이런 전략에 대한 배경이 무엇인가?
GaN은 고유한 특성에 기반해 다른 기술 대비 전력 공급 장치의 효율과 전력 밀도를 높여준다. 이로 인해 차량용·산업용 애플리케이션에 요구되는 품질과 신뢰성 성능, 솔루션 비용 절감을 달성하도록 해준다. TI는 이를 위해 4000만 시간이 넘는 내부 신뢰성 테스트를 진행해왔다.

Q. GaN의 고유한 특성이 무엇인가?
GaN은 입·출력 커패시턴스가 낮고 역방향 회복 전하량이 0으로 유지되기 때문에, 스위칭 손실이 낮고 속도는 빠르다. 이런 빠른 스위칭 속도, 낮은 저항, 낮은 게이트와 출력 커패시턴스는 실리콘(Si) 기반 솔루션 대비 스위칭 손실을 낮춰주고 고주파 환경에서의 원활한 작동을 지원한다.
스위칭 손실을 줄이는 것은 전력을 더 효율적으로 분배하는 것을 의미한다. 이로써 발생하는 열을 줄여 액티브 냉각 솔루션을 간소화할 수 있다. 고주파 환경에서 작동하는 변압기, 인덕터 등 자성 부품에 요구되는 부피, 중량, 소재를 절감해 솔루션 비용에도 긍정적인 영향을 줄 수 있다.
Q. GaN을 활용하기 위해서는 새로운 장비를 활용해야 하는데, 제품을 상용화하기까지 어려운 점은 없었나?
TI는 ‘GaN-on-silicon’ 공정을 사용하며, 제품의 제작·조립·테스트는 모두 100% 내부 제조 설비로 진행된다.
일반적으로 GaN은 캐리어 기판 위 에피(EPI) 층에 적용된다. TI는 파워 전자 애플리케이션의 비용을 최소화하고, 기존의 제조 특성을 활용하기 위해 실리콘(Si) 기판 위에 GaN을 적용하는 기술 개발에 집중하고 있다. 이외에 다른 캐리어 기판 종류로는 ‘GaN-on-GaN’, ‘GaN-on-SiC’가 있다. 비실리콘 기판을 선택하는 다른 기술에 비해 ‘GaN-on-silicon’은 TI의 기존 제조 풋프린트와의 통합성이 높고 디바이스 개발 비용도 줄일 수 있는 선택지다.
TI는 기존에 가진 물량으로 제품 품질을 극대화하고 신뢰성을 높이는 것에 주력하고 있다.
Q. 오토모티브를 비롯한 각종 고전압 제품에서의 활용이 기대되는 만큼 신뢰성이 상당히 중요해 보인다. GaN 제품은 어떤 테스트를 거치는가?
TI는 에피택시 성장법, 애플리케이션 신뢰성 검증, 새로운 GaN 표준의 산업 지원 등 자체 프로그램을 통해 종합적으로 GaN 제품을 테스트하고 있다.
Q. NXP, 인피니언, ST 등 GaN 팹(Fab)에 공격적인 투자를 보이는 기업들이 많다. TI의 팹 솔루션은 어떤 차별성을 갖는가?
TI는 멀티소싱 시스템을 통해 글로벌 제조 규격의 풋프린트와 유연한 전략을 제공하고 있다. 통합 설계를 목표로 기술, 설계, 제조 팀이 긴밀히 협업 중이다.
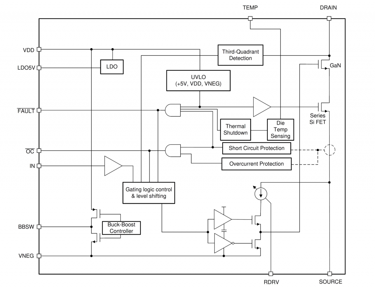
‘GaN-on-silicon’ 설계로 용량, 품질, 비용을 최적화할 수 있을 뿐 아니라, 고급 실리콘 드라이버와 GaN FET을 통합해 고성능 능동 전원 관리 등의 차별화된 기능을 제공한다. 또한, 과열·과전류 상황에서 시스템 모니터링과 내장 보호 기능도 지원한다.
Q. 올해 2차례 GaN 솔루션을 선보였다. TI가 기대하는 GaN 기술의 활용 분야는 어디인가?
TI가 발표한 GaN 디바이스는 차량과 산업용 애플리케이션 모두를 위해 설계된 제품이다. 차량용 GaN FET은 기존 실리콘(Si), 실리콘카바이드(SiC) 솔루션 대비 전기차(EV) 온보드 충전기와 DC/DC 컨버터의 크기를 50%까지 줄일 수 있다. 이를 통해 엔지니어는 배터리 범위를 넓히고, 시스템 신뢰성을 높이고, 설계 비용을 절감할 수 있다.
산업용 설계에서는 5G 통신 정류기, 하이퍼스케일·엔터프라이즈 컴퓨팅 플랫폼과 같이 손실이 낮고 보드 공간을 작게 가져가야 하는 AC/DC 전력 공급 애플리케이션에서 높은 효율과 전력 밀도를 지원한다.

Q. 지난 11월 발표한 제품을 2세대 GaN FET 솔루션이라고 소개했다. 지난 1세대와의 차이점은 무엇인가?
2세대 GaN 제품은 전원 공급 성능을 높이고 차량용 제품 검증까지 받은 제품이다. 1세대 제품과 비교하자면 ▲30mΩ 디바이스 ▲열성능을 강화한 12×12 QFN 패키지 ▲열패드가 상부에 노출된 QFN, 650V 옵션이 특징이다.
Q. TI가 바라보는 한국의 전력 반도체 시장은 어떤가?
한국 시장에는 차량용 파워트레인, 통신 장비용 산업용 전원 공급 장치 등 GaN 기술을 활용할 수 있는 중요한 응용 분야가 많다. 최근 GaN 기술은 TV, 모바일 장비를 위한 벽면 어댑터와 같은 개인 전자기기 시장에서도 가치를 더하고 있어 기대된다. 다만, 한국 기업과의 구체적인 협업 관계에 대해서 밝히기는 어렵다.
Q. GaN을 넘어서는 차세대 기술에 대해서도 준비하고 있는가?
현재는 데이터센터, 통신 등의 산업용 AC/DC 애플리케이션과 EV/HEV 온보드 충전기에 적합한 600V·650V용 ‘GaN-on-Silicon’ 기술에 집중하고 있다.
GaN 기술은 특정 전압점(Power Point)에서 높은 전력 밀도, 높은 효율을 제공함으로써 솔루션 비용에 경쟁력을 더한다. 현재 TI는 100V 이하용 실리콘(Si) MOSFET, 1200V 이상용 SiC MOSFET 등의 다양한 디스크리트 MOSFET 솔루션을 위해 폭넓은 게이트 드라이버를 지원하고 있다.
GaN 기술은 기존 솔루션 대비 성능과 비용을 개선할 여지가 많아 향후 오래 지속할 것으로 전망한다.
미국 캘리포니아주 산타클라라에 위치한 TI의 GaN 신뢰성 연구실 영상
그래도 삭제하시겠습니까?



