고효율, 높은 주파수, 낮은 EMI가 특징인 DC/DC 컨버터 사용
[테크월드뉴스=이재민 기자] 다층 세라믹 커패시터(MLCC)의 가격이 지난 몇 년 사이 급격히 인상됐다. 자동차, 산업용, 데이터 센터, 텔레콤 등의 분야에 사용되는 전원장치 수가 증가했기 때문이다. 세라믹 커패시터를 전원장치 출력에 사용하면 출력 리플을 낮추고 급격한 부하 트랜션트로 인한 출력 전압 오버슈트와 언더슈트를 제어할 수 있다. 입력 측에서는 디커플링을 위해, 그리고 높은 주파수에서 낮은 ESR과 낮은 ESL로 인한 EMI를 필터링하기 위해 세라믹 커패시터가 필요하다.

스위칭 주파수가 높으면 무조건 좋을까?
산업용과 자동차용 시스템에서 계속 성능을 높이고자 데이터 처리 속도를 수십 배 높여야 하는 상황이 됐다. 마이크로프로세서, CPU, 시스템온칩(SoC), ASIC, FPGA에 갈수록 더 많은 기능들이 통합돼 이들 디바이스의 전력 요구량은 점점 더 커지고 있다. 이들 각각의 디바이스는 여러 개의 전압 레일이 필요하다. 통상적으로 코어에서 0.8V, DDR3과 LPDDR4에서 각각 1.2V와 1.1V, 주변장치와 보조 장치들에서 5V, 3.3V, 1.8V를 필요로 한다. 배터리나 DC 버스로부터 이렇게 레귤레이트된 전원을 제공하기 위해 널리 사용되는 것이 벅(스텝다운) 컨버터다.
일례로 자동차의 첨단 운전자 지원 시스템(ADAS)이 발전하면서 세라믹 커패시터 사용이 크게 늘어났다. 통신 분야 역시 5G에서 고성능 전원을 필요로 하기 때문에 세라믹 커패시터 사용이 크게 늘어날 것으로 예상된다. 코어 전원 전류가 수 암페어에서 수십 암페어로 높아졌고 전원 리플, 부하 트랜션트 오버슈트/언더슈트, 전자기 간섭(EMI)을 엄격하게 제어해야 한다는 점 또한 추가적인 커패시턴스를 필요로 한다.
기존의 전원장치 접근법으로는 이러한 변화를 따라잡기 어렵다. 전반적인 솔루션 크기는 너무 크고, 효율은 낮다. 회로 설계는 복잡하고, BOM(Bill Of Materials)은 비용이 많이 든다. 예를 들어 빠른 부하 트랜션트에 대해 엄격한 전압 레귤레이션 요건을 충족하려면 부하 트랜션트를 지원하는 데 필요한 상당 수준의 전류를 저장·공급하기 위해 여러 개의 세라믹 커패시터가 필요하다. 그러면 출력 세라믹 커패시터들의 총 비용이 전원 IC의 몇 배에 이를 수도 있다.
전원장치가 더 높은(스위칭) 주파수로 동작하면 트랜션트가 출력 전압에 미치는 영향을 줄이고 커패시턴스 요구량과 전반적인 솔루션 크기를 낮출 수 있다. 하지만 스위칭 주파수를 높이면 스위칭 손실이 커져 효율이 떨어진다. 어떻게 해야 이런 절충을 없애고 최신 마이크로프로세서, CPU, SoC, ASIC, FPGA가 필요로 하는 매우 높은 전류 수준으로 트랜션트 요건들을 충족할 수 있을까?
아나로그디바이스(ADI) Power by Linear의 모놀리식 사일런트 스위처 2(Silent Switcher 2) 벅 레귤레이터 제품군은 솔루션 크기를 작게 하고, 높은 전류 용량이 가능하다. 또한 고효율을 달성하며 뛰어난 EMI 성능을 제공한다. 이 제품군의 LTC7151S 모놀리식 벅 레귤레이터는 사일런트 스위처 2 아키텍처를 사용해 EMI 필터 설계를 간소화한다. 밸리 전류 모드(Valley current mode)를 사용해 출력 커패시턴스 요구를 낮춘다. 이해를 돕기 위해 SoC 용 20V 입력, 1V/15A 출력 솔루션을 예로 들어 살펴보자.
![[그림 1] SoC, CPU용 1MHz, 15A 벅 레귤레이터의 회로도와 효율](https://cdn.epnc.co.kr/news/photo/202103/203906_203737_163.jpg)
SoC 용 20V 입력 전압으로 동작하는 15A 솔루션
[그림 1]은 SoC나 CPU 전원 애플리케이션을 위한 1MHz, 1.0V, 15A 솔루션을 보여준다. 입력 전압은 12V 또는 5V 정격이고, 3.1~20V로 변화될 수 있다. 전체적인 전원장치를 완성하기 위해 입·출력 커패시터, 인덕터, 몇 개의 작은 저항과 커패시터만 있으면 된다. 이 회로를 1.8V, 1.1V, 0.85V, 낮게는 0.6V 같이 다른 출력 전압을 발생하도록 손쉽게 수정할 수 있다. 출력 레일의 네거티브 입력(V-핀) 덕분에 부하와 가까운 곳에서 출력 전압의 원격 피드백 검출이 가능하다. 따라서 보드 트레이스 상의 전압 강하로 인해 발생하는 피드백 오차를 최소화할 수 있다.
[그림 1] 솔루션에서는 LTC7151S 사일런트 스위처 2 레귤레이터를 사용한다. 이 디바이스는 고성능 MOSFET을 통합하고 있고, 열 성능이 강화된 28핀 4mm x 5mm x 0.74mm LQFN 패키지로 제공된다. 제어 방식은 밸리 전류 모드다. 또한 보호 기능들을 포함해 외부에 필요한 보호 부품을 최소화한다.
상측 스위치의 최소 온(on) 시간이 20ns(정격)에 불과해 높은 주파수에서 코어 전압으로 곧바로 스텝다운이 가능하다. 열 관리 기능들은 히트싱크나 에어플로우를 사용할 필요 없이 입력 전압에서 최대 20V로 15A의 전류를 연속으로 안정되게 제공할 수 있게 해준다. 그러므로 텔레콤, 산업용, 교통, 자동차 애플리케이션의 SoC, FPGA, DSP, GPU, 마이크로프로세서에 사용하기에 적합하다.
LTC7151S는 입력 전압 범위가 넓어 1차 스테이지 중간 컨버터로 사용할 수 있다. 따라서 여러 개의 하위 POL이나 LDO 레귤레이터에 5V 또는 3.3V로 최대 15A를 제공할 수 있다.
최소한의 출력 커패시터를 사용
통상적으로 출력 커패시터를 조절해 루프 안정성과 부하 트랜션트 응답 요구를 충족하도록 할 수 있다. 특히 프로세서 코어 전압을 위한 전원일 경우, 이들 사양에 대한 요구가 엄격할 수 있다. 이런 용도의 전원은 부하 트랜션트 오버슈트와 언더슈트를 잘 제어해야 한다. 예를 들어 부하 스텝 동안 피드백 루프가 스위치 전류를 충분히 높여 다시 제어할 수 있게 될 때까지 출력 커패시터가 재빨리 끼어들어 해당 부하에 필요한 전류를 공급할 수 있다. 출력 측에 상당한 양의 MLCC를 사용해 오버슈트와 언더슈트를 억제하고, 빠른 부하 트랜션트 동안에 필요로 하는 전하 저장 요건들을 충족할 수 있다.
![[그림 2] (a) 이 5V 입력 대 1V 출력 애플리케이션은 2MHz로 실행되며, 출력 측에 최소한의 커패시턴스를 사용해 (b) 부하 스텝에 빠르게 응답할 수 있다. (c)는 이 부하 스텝 시의 스위칭 파형을 보여준다](https://cdn.epnc.co.kr/news/photo/202103/203906_203738_1722.jpg)
스위칭 주파수를 높이는 다른 방법도 있다. 레귤레이터에 밸리 전류 모드 제어를 사용하고, 레귤레이터의 스위치 TON과 TOFF 시간을 역동적으로 변경해 순간적으로 부하 트랜션트 요구를 충족할 수 있다. 이 방법을 통해 빠른 응답을 위해 요구되는 출력 커패시턴스를 크게 낮출 수 있다. [그림 2]는 LTC7151S 사일런트 스위처 레귤레이터가 부하 스텝에 대해 8A/㎲ 슬루율로 4A에서 12A로 즉각적으로 응답하는 것을 보여준다. LTC7151S의 COT(Controlled On Time) 밸리 전류 모드 아키텍처는 4A에서 12A로 부하 스텝 전이 시에 스위치 노드 펄스들을 압축할 수 있게 한다. 상승 엣지가 시작한지 약 1㎲ 후부터 출력 전압이 회복되기 시작해 오버슈트와 언더슈트를 46mV 피크 대 피크로 제한한다. [그림 2] (b)에 보이는 트랜션트 요건들을 충족하는 데 [그림 2] (a)에 표시된 100㎌ 세라믹 커패시터 3개면 충분하다. [그림 2] (c)는 부하 스텝 시 스위치 파형을 보여준다.
3MHz 고효율 스텝다운 컨버터
LTC7151S는 4mm x 5mm x 0.74mm 패키지에 MOSFET, 드라이버, 핫루프 커패시터를 통합하고 있다. 이들 소자를 내부에 통합시켜 기생성분의 영향을 줄이면 스위치들을 매우 좁은 데드타임으로 빠르게 켜고 끌 수 있다. 이렇게 되면 스위치들의 역평행 다이오드 전도 손실을 크게 낮출 수 있다. 또한 핫루프 디커플링 커패시터와 보정 회로를 통합해 설계 복잡성을 줄이고, 전체 솔루션 크기도 최소화한다.
앞서 소개한 것처럼 상측 스위치의 20ns(정격)의 최소 온(on) 시간은 높은 주파수로 낮은 듀티 비율 변환을 가능하게 한다. 따라서 설계자는 고주파 동작(가령 3MHz)을 통해 인덕터, 입력 커패시터, 출력 커패시터의 크기와 값을 낮출 수 있다. 그 결과 휴대 기기나 자동차 시스템, 의료 장비처럼 공간이 제한적인 애플리케이션에서 컴팩트한 솔루션을 달성할 수 있다. 또한 LTC7151S를 사용하면 매우 높은 주파수로도 고성능 전력 변환이 가능해 팬이나 히트싱크 같이 부피가 큰 냉각 장치가 필요 없다.
![[그림 3] fSW = 3MHz로 동작하는 5V 입력, 1V/15A 솔루션의 회로도와 효율 곡선](https://cdn.epnc.co.kr/news/photo/202103/203906_203739_207.jpg)
[그림 3]은 5V 입력을 1V 출력으로 변환해 3MHz 스위칭 주파수로 동작하는 솔루션을 보여준다. 이튼(Eaton)의 소형 100nH 인덕터에 3개의 100㎌/1210 세라믹 커패시터를 함께 사용해 FPGA와 마이크로프로세서 애플리케이션을 위한 높이가 낮은 컴팩트한 솔루션을 구현한 것이다. [그림 3]의 오른쪽은 이 솔루션의 효율 곡선을 나타낸 것이다. 실온에서 온도 상승은 최대 부하일 때 약 15℃다.
EMI 성능이 탁월한 사일런트 스위처 2 기술
15A 애플리케이션에서 CISPR 22/CISPR 32 전도와 복사, EMI 피크 한계 같은 EMI 요건을 충족하려면 솔루션 크기, 총 효율, 신뢰성, 복잡성 등을 다양하게 절충하는 작업을 포함한 보드 스핀 작업을 반복적으로 수행해야 한다. EMI를 제어하기 위한 전통적인 방법은 스위칭 에지를 늦추거나 스위칭 주파수를 낮추는 것이다. 하지만 두가지 방법 모두 효율이 떨어지거나 최소 온·오프(on off) 시간이 높아지거나 솔루션 크기가 커지는 단점이 있을 수 있다. EMI 필터, 금속 차폐와 같은 강제적인 EMI 완화 기법은 보드 공간을 차지하고, 부품 개수와 비용을 늘릴 뿐 아니라 열 관리와 테스트를 복잡하게 한다.
아나로그디바이스의 고유한 사일런트 스위처 2 아키텍처는 핫루프 커패시터를 통합하는 것과 같은 일련의 EMI 감소 기법들을 사용해 노이즈가 있는 안테나 크기를 최소화한다. LTC7151S는 고성능 MOSFET과 드라이버를 통합해 EMI를 낮게 유지한다. 그래서 스위치 노드 링잉을 최소화할 수 있다. 스위칭 에지의 슬루율이 높더라도 핫 루프에 저장되는 에너지를 잘 제어할 수 있으며, 그 결과 높은 동작 주파수로 뛰어난 EMI 성능을 달성하면서 AC 스위칭 손실을 최소화한다.
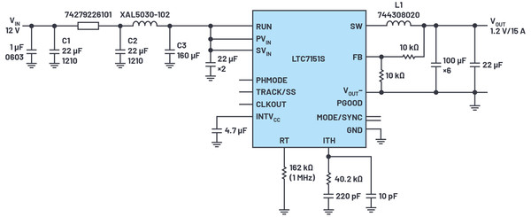
![[그림 4] 1MHz 스위칭 주파수로 동작하는 1.2V 레귤레이터 회로도](https://cdn.epnc.co.kr/news/photo/202103/203906_203740_2217.jpg)
![[그림 5] GTEM에서 실시한 복사 EMI 테스트 결과, CISPR 22 클래스 B 제한 요건을 충족했다.](https://cdn.epnc.co.kr/news/photo/202103/203906_203741_2242.jpg)
EMI 테스트 체임버에서 실시한 테스트에서 LTC7151S는 단순한 EMI 필터만을 사용해 CISPR 22/CISPR 32 전도와 복사, EMI 피크 한계 요건을 충족하는 것으로 확인됐다. [그림 4]는 1MHz 1.2V/15A 솔루션의 회로도를, [그림 5]는 GTEM(Gigahertz Transverse Electromagnetic) 셀에서의 복사 EMI CISPR 22 테스트 결과를 나타낸다.
맺음말
산업용과 자동차 분야에서 지능형 전자장치, 자동화, 센서의 사용이 증가해 필요한 전원장치 수와 성능 또한 높아지고 있다. 특히 전원장치의 핵심적인 파라미터로서 작은 솔루션 크기, 높은 효율, 열 성능, 견고성, 사용 편의성과 더불어 낮은 EMI가 중시된다.
LTC7151S는 아나로그디바이스 Power by Linear 부문의 사일런트 스위처 2 기술을 사용해 극히 컴팩트한 크기로 엄격한 EMI 요구를 충족한다. 밸리 전류 모드 제어와 고주파 동작에 의해 TON과 TOFF 시간을 역동적으로 변환해 즉각적으로 부하 트랜션트를 지원할 수 있다. 그래서 훨씬 더 작은 출력 커패시턴스를 사용할 수 있고, 빠른 응답이 가능하다. 또한 MOSFET과 열 관리 기능들을 통합해 최대 20V의 입력 전압으로 최대 15A까지 연속으로 안정되게 출력할 수 있다.
글 : 종밍 예(Zhongming Ye) 선임 애플리케이션 엔지니어
자료제공 : 아나로그디바이스(www.analog.com)
그래도 삭제하시겠습니까?



