[테크월드=선연수 기자] 대부분의 전자기계나 반도체 부하는 안정적으로 동작하기 위해 안정된 DC-DC 전압 변환과 엄격한 레귤레이션이 요구된다. 이를 수행하는 DC-DC 컨버터를 PoL(Point-of-Load) 레귤레이터라고 하며, 이는 안정 동작 범위로 지정된 최대·최소 입력 전압 사양으로 설계된다. 레귤레이터에 대한 전력 분배 네트워크(PDN: Power Delivery Network)는 부하의 수, 부하의 유형, 전체 시스템 아키텍처와 부하 전력 레벨, 전압 레벨(변환 시트에지), 절연, 레귤레이션 요건 등에 따라 복잡성이 달라질 수 있다.

전력 시스템 설계자의 대부분은 레귤레이션 DC-DC 컨버터를 전체 시스템 설계에 필수적인 것으로 간주한다. 그러나 PoL에 정확한 레벨의 전압이나 중간 분배 버스 전압을 공급하기 위해서, PDN의 레귤레이션이 반드시 필요한 것은 아니다. 따라서, 전력 시스템 엔지니어는 전반적인 PDN 성능에 상당한 이점을 제공하는 고정비율 DC-DC 컨버터의 구현을 고려하는 것이 좋다.
PDN 최적화
PDN 성능은 보통 전력 손실, 과도 응답, 물리적인 크기·무게, 비용 등을 기준으로 측정된다. 성능에 영향을 주는 주요 설계 과제 중 하나는 네트워크에서 요구되는 전압 변환과 엄격한 라인/부하 레귤레이션 횟수다. 엔지니어는 고성능, 안정성을 제공하기 위해 벌크 전원의 전압 변환, 동적 레귤레이션, 분배 특성을 최적화하는데 상당한 시간을 소모한다.
시스템 부하 전력이 수 킬로와트 범위인 경우, 고전압으로 벌크 PDN을 설계하면 시스템에 분배되는 전류(P= V·I)가 감소해 DN 자체의 크기, 무게, 비용(케이블, 버스 바, 마더보드, 구리 전력면)이 줄어들 수 있다(PLOSS = I2R). 이때 고전압의 길이를 극대화해 최대한 부하에 가까운 곳에서 저전압으로 변환되도록 만들면, 더 높은 전류의 이점을 얻을 수 있다.
그러나 고전력, 고전압 PDN을 부하에 가깝게 구현하기 위해서는 높은 효율, 높은 전력 밀도를 갖는 DC-DC 컨버터가 필요하다. 예를 들어, 800V나 400V에서 48V로 입력 대 출력 전압의 변환폭이 큰 변환의 경우, 레귤레이션에 제한이 없는 고정비율 컨버터가 가장 높은 효율을 제공할 수 있다. 이 컨버터는 고효율 성능 지수를 갖춰 낮은 전력소모로 전력 밀도를 높이고, 열을 보다 쉽게 관리할 수 있도록 돕는다.
고정비율 컨버터란?
고정비율 컨버터는 트랜스포머와 상당히 유사하게 동작하지만, AC-AC 변환 대신 DC 입력 전압을 고정 비율로 변환해 출력하는 DC-DC 변환을 수행한다. 트랜스포머와 마찬가지로 이 컨버터는 출력 전압 레귤레이션을 제공하지 않으며, 입력 대 출력 전압 변환은 디바이스 ‘권선비(Turns Ratio)’로 정의된다. K 계수라고 불리는 권선비는 전압의 스텝-다운 성능을 분수로 표현한다. K 계수는 1에서 1/72로 떨어질 수 있으며, PDN 아키텍처와 PoL 레귤레이터 설계 사양에 따라 선택할 수 있다.

일반적인 PDN 전압의 범위는 저전압(LV)에서 고전압(HV), 초고전압(UHV)까지 이른다[표 1].

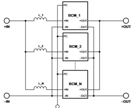
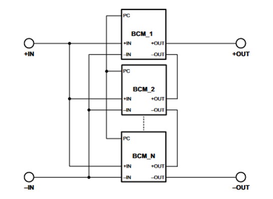
고정비율 컨버터는 절연이나 비절연이 가능하며, 역전압 변환으로 양방향 전력 흐름을 지원할 수 있다. 예로, 양방향 기능을 갖춘 K=1/16 고정비율 컨버터는 K=16/1의 부스트 컨버터로 동작할 수 있다[그림 1]. 더 높은 전력 요구를 충족할 수 있도록 손쉽게 병렬로 구동할 수 있으며, K 계수를 바꿔 컨버터 출력을 직렬로 연결하는 등의 옵션을 제공해 효과적이고 유연한 설계를 제시한다[그림 2, 3].

전력 분배 네크워크는 수많은 최종 시장, 애플리케이션에서 급증하고 있는 전력 요구로 인해 큰 변화를 겪는 중이다. 새 기능이 더해지고, 성능 레벨이 높아지면서 48V와 같이 더 높은 PDN 적압이 전기차(EV, Electric Vehicle), 마일드 하이브리드, 플러그인 하이브리드 자동차에 적용되고 있다. 48V는 많은 시스템들이 요구하는 SELV(Safety Electrical Low Voltage) 표준을 충족한다. 또한 간단한 전력 방정식, P = V·I과 PLOSS = I2R을 통해서도 고전압 PDN이 더 효율적인 이유를 확인할 수 있다.

48V 시스템은 주어진 전력 레벨에서 12V 시스템에 비해 전류는 4배 낮고, 손실은 16배 줄여준다. 전류가 1/4이 되면, 케이블과 커넥터의 크기를 줄일 수 있고 무게와 비용도 낮출 수 있다. 하이브리드 자동차에 사용되는 48V 배터리는 12V 배터리보다 전력이 4배 더 높아 추가 전력을 파워트레인 애플리케이션에 사용해 CO2 배출량을 줄이고, 연비를 개선하고, 안전과 엔터테인먼트와 관련한 기능을 새롭게 추가할 수 있다.
데이터센터는 랙에 인공지능(AI) 기능이 추가되면서 랙 전력이 20kW 이상으로 높아져 12V PDN 벌크를 이용하고 있는데, 효율은 더 낮은 상황이다. 48V PDN을 이용하면 하이브리드 자동차와 같은 이점을 얻을 수 있다. 자동차와 데이터센터 애플리케이션 모두 변화를 최소화하기 위해 기존 부하를 12V로 유지하고, PoL 상용 벅 레귤레이터를 사용하는 것을 선호한다.
▷ '고정비율 컨버터를 활용한 고성능 전력 분배 네트워크 구현 ②'로 이어집니다.
글: 필 데이비스(Phil Davies), 글로벌 세일즈·마케팅 담당 부사장
자료제공: 바이코
- 이 글은 테크월드가 발행하는 월간 <EPNC 電子部品> 2020년 3월 호에 게재된 기사입니다.
그래도 삭제하시겠습니까?



