[테크월드=선연수 기자]
▷ '배터리 전기차용 150kW 고속 DC 충전기 만들기 ①'과 이어지는 기사입니다.

30kW 서브유닛으로 효율 높이기
동일한 토폴로지로 SiC 디바이스의 비중을 늘려서 효율을 높일 수도 있다. 부품 수를 줄여 열 발생량을 줄이고 신뢰성을 높이는 것이다. 고전압 DC/DC 적층형 접근법을 병렬 풀브리지 LLC 컨버터로 교체하고, 일차 측으로 높은 DC 링크 전압을 수용하기 위해 스위치를 1200V CoolSiC MOSFET으로 교체한다. 그리고 높은 이차 측 전압을 처리하기 위해 다이오드를 1200V CoolSiC 디바이스로 업그레이드한다. 부품 수를 줄이는 것에 이어 각 디바이스로의 RDS(on)이 낮아 전도 손실을 낮출 수 있다. 이 서브유닛 디자인은 신뢰성을 높여 수명을 늘리고, 전력 밀도를 높여 더 높은 스위칭 주파수로 동작할 수 있게 만든다[그림 3].

적합한 게이트 드라이버 선택
XMC4000과 같은 마이크로컨트롤러(MCU)나 디지털 신호 프로세서(DSP)로부터 받은 제어 신호는, 적합한 게이트 드라이버를 통해 전력 디바이스로 전달해야 한다. SOI(Silicon-on-insulator) 기술을 바탕으로 모노리딕 레벨 시프트 견고성과 갈바닉 절역 토어리스 트랜스포커 기술이 통합된 솔루션은, 하프·풀브리지 스테이지를 모두 구동할 수 있는 성능을 제공한다. 중요한 성능 지표로는 전달 지연, 구동 전류, VS 내성, 레벨 쉬프트 손실, 스위칭 주파수 등을 들 수 있다.
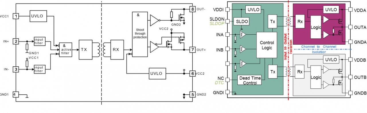
여기서 논의되는 디자인들은 EiceDRIVER 제품 라인 중 1ED와 2Edi, 2개의 제품군을 사용하고 있다. 이런 디자인의 단일 채널 절연형 CT 게이트 드라이버인 1EDCx0I12AH는 광폭 바디 패키지로 제공되며, UL-1577 인증을 취득하고 있다. 입력 측으로 넓은 전압 범위를 지원해 MCU나 DSP로 간편하게 연결할 수 있으며, 출력 측으로 유니폴라와 바이폴라 동작을 둘 다 지원한다. 레일-투-레일 출력 드라이버로서 게이트 저항 선택을 간편하게 만들고, 외부적인 고전류 바이패스 다이오드를 요구하지 않는다. 또한, 상·하측 구성이 dv/dt 제어를 향상시킨다[그림 4].

2EDS8265H는 고속 듀얼 채널 게이트 드라이버로, 입·출력 간 절연 후 다시 출력 측으로 채널-대-채널 절연을 수행한다. 공통 모드 제거 기능이 우수하며 신호 전달이 빠르고 구동 전류가 높아, 적층형 LLC의 일차 측에 사용되는 CoolMOS CFD7와 CoolSiC 디바이스와 잘 맞는다.
BEV 급속 충전기는 출력 디바이스가 전원으로 연결되지 않았을 때, 동적 셧다운이나 저전압 록아웃(UVLO)과 같은 기능을 사용해 솔루션의 전반적인 견고성을 높일 수 있다. 디커플링 커패시터를 입·출력 전원 핀에 가까이 배치하거나 접지 플레인을 사용해 기생 인덕턴스를 낮추는 것과 같은 레이아웃 최적화를 통해, 열적 성능과 전기적 성능(잡음 내성)을 향상시킬 수 있다.
결론
시내에서 BEV로 짧은 거리를 주행할 때와 마찬가지로, 장거리 주행에도 불안감없는 교통 수단으로 사용하기 위해서는 충전 인프라를 가솔린이나 디젤 차량 주유 시와 같은 수준으로 끌어올려야 한다. 이를 위해서는 150kW대에 이르는 급속 DC 충전기가 필요하고, 이는 모듈러 방식으로 구현할 수 있다. 즉, 더 낮은 전력의 유닛들을 조합해 원하는 출력 전력을 달성할 수 있는 것이다.
효율, 신뢰성, 열 문제, 크기, 비용 등 모든 부분을 고려했을 때, SiC 디바이스가 적합한 솔루션이라는 것을 알 수 있다. 기존의 실리콘 MOSFET 스위치를 결합하거나, 적은 부품으로 최대 효율을 내기 위해 SiC 스위치를 결합할 수 있으며, 이에 적합한 게이트 드라이버와 제어 장치를 결합해 공기 냉각으로 30kW나 그 이상의 모듈이 세계 각 지역의 충전 표준을 충족하도록 만들 수 있다.
글: 오마 하몬(Omar Harmon), 프란체스코 디 도메니코(Francesco Di Domenico), 슈리밧사 라구나트(Srivatsa Raghunath)
자료제공: 인피니언 테크놀로지스
- 이 글은 테크월드가 발행하는 월간 <EPNC 電子部品> 2020년 3월 호에 게재된 기사입니다.
그래도 삭제하시겠습니까?



