[테크월드뉴스=이광재 기자] 사용 가능한 여러 센서 기술과 다양한 산업 요구 사항을 고려할 때 응용 제품에 맞는 최적의 온도 센서를 선택하는 것은 어려울 수 있다. 그러나 대부분의 응용 제품은 정확한 판독값을 요구하므로 사용 가능한 폭넓은 옵션을 검토해야 한다.
온도 센서 선택에는 정확도, 응답 시간, 통신 프로토콜, 환경 내구성, 전력 사용, 비용, 시스템 통합과 같은 설계 요구 사항을 충족하기 위해 여러 인자의 균형을 맞추는 과정이 포함된다. 센서는 일반적으로 4가지 아날로그 전압 출력 범주와 디지털 센서 출력을 활용하는 5번째 범주에 속한다.
▶ 열전대= 넓은 온도 범위와 내구성을 가지며 초저온부터 +1800°C 이상까지 측정할 수 있다. 내구성이 뛰어나며 열악한 환경을 견딜 수 있고 빠른 온도 변화에 신속하게 대응할 수 있다. 그러나 다른 옵션에 비해 정확도와 안정성이 떨어지며 신호 조정이 필요하다. 강철 및 유리 생산, 높은 열이 발생하는 가정용 및 상용 전자 기기와 같은 중공업에 매우 적합하다.
▶ 저항 온도 감지기(RTD)= 정확도와 안정성이 높다. 정밀도가 중요한 산업 자동화 및 공정 제어에 이상적이다. RTD는 양조, 멸균, 튀김과 같은 공정에서 엄격한 온도 제어가 필요한 식품 및 제약 산업에 일반적으로 사용된다. RTD는 HVAC 시스템과 인큐베이터 및 분석 기기와 같은 실험 및 의료 장비에서 정확한 온도 측정을 제공한다. RTD는 열전대와 같은 대체 옵션에 비해 비용이 많이 들 수 있고 미세 전선 또는 박막 감지 소자에 대한 의존으로 인해 손상되기 쉽다. 대개 정밀 측정 회로와 함께 사용되며 이로 인해 설계 복잡성 및 비용이 증가된다.
▶ 서미스터= 높은 민감도를 제공하는 반도체로 제작된 온도 종속적 저항기다. 작은 온도 변동에도 저항 변화가 크기 때문에 사소한 변동 및 고분해능을 감지할 수 있다. 작고 빠르며 저렴한 서미스터는 작은 비트부터 큰 프로브에 이르는 다양한 크기로 제공된다. 일반적으로 -50~150°C의 제한된 온도 범위를 가진 응용 제품에 탁월하다. 서미스터는 활용성이 높으며 주변 온도 또는 체온과 관련된 의료 장치 및 소비자 가전 기기뿐만 아니라 자동차 응용 제품, 배터리 관리 시스템, 가전제품, 화재 및 연기 감지에 사용된다. 그러나 서미스터의 비선형 저항 곡선은 저항을 정확한 온도로 변환하기 위한 변환 공식 또는 조회 테이블이 필요하며 RTD와 비교할 때 시간이 경과함에 따라 드리프트가 발생할 수 있다.
▶ 다이오드 기반 온도 센서= 빠른 응답 시간을 제공하며 다른 3개 아날로그 유형보다 작다. 마이크로 컨트롤러, 아날로그-디지털 컨버터(ADC), 응용 제품별 직접 회로(ASIC)와 손쉽게 연결할 수 있다. -55~+150°C의 제한된 온도 범위로 비용 효율성이 뛰어나며 가전제품, 산업 자동화, 데이터 센서 스토리지 시스템, 자동차 등 광범위한 응용 분야에서 활용할 수 있다. RTD보다 정확도가 떨어지고 시스템 잡음에 민감하며 서로 다른 장치 사이에 일관적인 판독값을 보장하기 위해 보정이 필용한 경우가 많다.
▶ 디지털 온도 센서= 온도를 측정하며 일반적으로 SMBus, I²C, SPI 또는 1-Wire와 같은 통신 프로토콜을 통해 직접적인 디지털 출력을 제공하는 집적 회로(IC)다. 아날로그 옵션의 외부 신호 조정, 증폭, 아날로그-디지털 변환이 필요 없다.
선택 지침
적절한 온도 센서를 선택하려면 정확도, 응답 시간, 내구성, 비용간 균형을 고려해야 한다. 산업별 요구 사항에 따라 적절한 부품을 선택할 수도 있다.
응용 제품의 작동 환경은 중요한 역할을 한다. 환경이 열악한 경우 열전대 또는 코팅 RTD와 같은 견고한 센서가 필요하고 통제된 환경에서는 서미스터 또는 반도체 센서가 더 적합하다. 대량 생산의 경우 비용과 확장성도 고려해야 할 요인이다. 서미스터는 경제적이지만 RTD 및 고급 열전대는 장기 안정성을 제공한다.
설계자가 허용하는 정확도와 실용성 사이의 오차도 선택에 영향을 미칠 수 있다. RTD는 높은 정밀도를 제공하지만 비싸고 열전대는 활용도가 높지만 정확도는 떨어진다. 응답 시간과 배치도 문제가 된다. 열전대 및 서미스터와 같은 소형 저질량 센서는 빠르게 응답하지만 배치에 따라 성능이 달라질 수 있다.
센서 비용과 센서에 연결된 회로망은 특히 소비자 제품 또는 대량 제조 분야에서의 선택에 큰 영향을 미칠 수 있다. 센서 유형에는 상당한 비용 범위가 있다. 아날로그 센서에는 신호 조정이 필요하고 디지털 신호는 통합을 간소화한다. 아날로그 회로망과 보정을 줄이면 전반적인 비용을 최소화하고 약간 더 비싼 디지털 센서의 사용도 정당화할 수 있다.
디지털 옵션 및 특성
디지털 센서는 아날로그 신호를 내부적으로 변환해 디지털 스트림으로 데이터를 전송하므로 대개 잡음 내성을 향상시키고 더욱 복잡한 데이터 처리를 가능하게 한다. 아날로그디바이스(Analog Devices, ADI)는 폭넓은 아날로그 및 디지털 온도 센서 포트폴리오를 제공하며 설계자는 응용 제품의 필요 사항에 가장 적합한 센서를 신중하게 평가해야 한다. 다음은 일부 디지털 센서에 대한 간략한 개요다.
정확한 온도 판독값이 필요한 경우 정확도는 최상위 선택 요인일 수 있다. ADI의 MAX31888 디지털 센서는 -20~+105°C의 범위에서 ±0.25°C 정확도를 제공하며 1-Wire 버스를 통해 마이크로 컨트롤러와 통신해 고정밀 온도 모니터링 회로를 실현한다(그림1).
각 MAX31888에는 고유한 64비트 등록 번호가 프로그래밍돼 있으며 이러한 등록 번호는 다분기 1-Wire 네트워크에서 노드 주소 역할을 한다.
![[그림1] MAX31888 온도 센서를 사용하는 일반적인 응용 회로 [제공=ADI]](https://cdn.epnc.co.kr/news/photo/202505/317331_322010_340.jpg)
MAX31888은 통신을 위해 단 1개의 데이터 라인을 활용하며 여기에서 기생 전력을 직접 끌어올 수 있으므로 설계자는 외부 공급 장치 없이 작업을 수행할 수 있다. 외부 전원 공급 장치를 사용할 경우 전압 범위는 1.7~3.6V이며 측정 중에 소비되는 전류는 68μA에 불과하다.
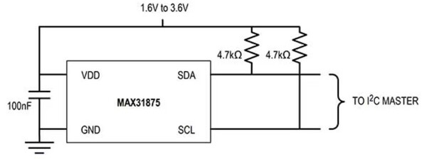
전력 소비와 크기는 작은, 배터리 구동식 장치를 설계할 때 최우선으로 고려해야 할 사항이다. 웨어러블과 같은 응용 제품을 위해 ADI의 MAX31875 장치(예: MAX31875R0TZS+T)는 0.84㎜×0.84㎜×0.35㎜ 매우 작은 패키지 크기와 낮은 공급 전류 소비를 결합하며 온도 측정 정확도는 ±1°C다.
![[그림2] MAX31875R0TZS+T 폼팩터 [제공=ADI]](https://cdn.epnc.co.kr/news/photo/202505/317331_322011_357.jpg)
MAX31875 제품군은 표준 쓰기 바이트, 읽기 바이트, 전송 바이트, 수신 바이트 명령을 사용해 온도 데이터를 읽고 일반적인 회로에서 센서 동작을 구성하는 I2C/SMBus-호환 직렬 인터페이스를 사용한다(그림3).
이 제품군은 10μA 미만의 평균 전원 공급 전류를 사용하며 –50~+150°C의 온도를 측정할 수 있다.
![[그림3] MAX31875 디지털 온도 센서를 사용하는 응용 회로 [제공=ADI]](https://cdn.epnc.co.kr/news/photo/202505/317331_322012_413.jpg)
ADI는 또 열 다이오드의 온도를 정밀하게 측정해 디지털 형식으로 변환하도록 설계된 IC를 제공해 기존의 서미스터 또는 열전대를 대체한다. 이러한 원격 다이오드 센서는 CPU, GPU, FPGA, ASIC에 내장된 열 다이오드와 같은 외부 PN 접합부의 온도를 측정한다.
MAX6654MEE+T는 하나의 열 다이오드를 측정한다. 2·3·4·8채널 응용 제품에는 다른 옵션을 사용할 수 있다.
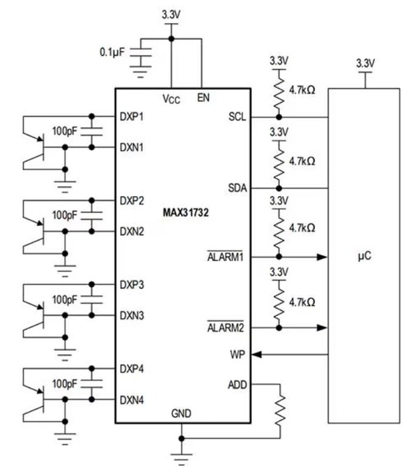
원격 다이오드 센서는 적절한 내부 및 외부 필터링 기능을 통해 전기적 잡음이 심한 환경에서 널리 사용될 수 있다. MAX31732ATG+T는 자체 온도와 함께 최대 4개의 외부 다이오드 연결 트랜지스터 온도를 모니터링하는 4채널 온도 센서(그림4).
![[그림4] ADI의 MAX31732는 이 응용 회로에서처럼 최대 4개 외부 다이오드 연결 트랜지스터를 모니터링할 수 있다. [제공=ADI]](https://cdn.epnc.co.kr/news/photo/202505/317331_322013_432.jpg)
MAX31732 센서는 특별한 소프트웨어 또는 펌웨어 없이 온도 임계값을 설정하도록 프로그래밍할 수 있다. 2선 직렬 인터페이스를 사용해 온도를 모니터링하고 온도 임계값을 수정할 수 있다.
결론
최적의 온도 센서를 찾으면 응용 제품의 성능, 신뢰성, 비용 효율성 향상을 보장할 수 있다. 선택에는 산업별 요구 사항 및 표준, 비용 대 성능 트레이드오프를 비롯한 다양한 요인이 영향을 미칠 수 있다.
ADI의 디지털 온도 센서 포트폴리오는 다양한 응용 제품의 필요 사항을 충족하는 솔루션을 제공한다.
원문은 DigiKey의 TechForum/Article을 참조하세요!
그래도 삭제하시겠습니까?



