[테크월드뉴스=이광재 기자] 아날로그 회로를 사용해 사인 및 임의 파형과 같은 고정밀 표준 파형을 생성하는 일은 항상 쉽지 않은 작업이다. 이는 피할 수 없는 수많은 미묘한 오류의 원인들을 파악하고 해결해야 했기 때문이다.
디지털 전치 왜곡(DPD)을 설계에 통합하고 이를 출력 중심 피드백과 결합하면, 대폭 향상된 성능을 실현할 수 있다.
시스템 및 성능에 있어 ‘정밀도’는 매우 자주 언급되는 중요한 사안이다. 테스트 및 측정에 있어 정밀도는 절대 정확도, 우수한 일관성, 높은 선형성, 고분해능, 전반적인 파형 순도, 낮은 왜곡, 잡음 및 아티팩트의 최소화를 의미할 수 있다.
설계자는 필요한 정밀도를 달성하기 위한 여러 전략을 함께 사용할 수 있으며 그러한 전략의 예는 다음과 같다.
정확도가 높고 온도 드리프트 계수가 낮은 부품을 선택하고 사용 전에 에이징을 통해 불완전성과 드리프트 경향을 제거한다. 이는 정확도가 높고 드리프트가 낮은 단일 부품으로 시스템 성능을 크게 향상시킬 수 있는 전압 레퍼런스에서 주로 수행된다.
비율계량 배열과 같은 오류 소스의 자체 제거 기능을 제공하는 회로 토폴로지를 사용한다. 예를 들면 일반적인 휘트스톤 브리지 또는 온도 관련 드리프트가 일치하는 이점이 있는 공통 기판에 페어링된 저항기가 있는 차동 증폭기를 사용하는 것이다.
온도 편차가 동일하지만 정반대인 부품을 함께 사용해 변화를 상쇄하는 보정 체계를 구현한다.
넓은 접지면, 전류 흐름 관리, 국부적 열차 방지, 구리 인쇄 회로 기판(PC 기판) 트랙과 주석 도금 부품 리드와 같은 재료간 불일치로 인한 의도치 않은 열전대 식별 및 제거 등 물리적 레이아웃에 대한 모범 사례를 준수해야 한다.
알려진 표준에 따라 시스템을 한 번 보정한 다음, 트림팟과 같은 아날로그 부품 또는 더 일반적으로는 디지털로 저장된 보정 계수를 사용해 회로를 조정한다.
보다 정교한 접근 방식인 DPD는 고속 데이터 링크 설계자가 주로 사용한다. 이 기술은 일반적으로 비실용적이거나 제어가 불가능한 링크 채널을 개선하는 대신, 채널 왜곡을 특성화한다.
그런 다음 역 왜곡 파형의 비트 파형을 생성해 이 미리 왜곡된 파형과 채널 왜곡이 서로 상쇄되도록 한다. 그러면 비트 오류율(BER)이 감소하고 더 높은 데이터 전송률이 지원된다.
가장 높은 수준의 구현에서는 전치 왜곡 설정이 정적이 아니라 채널 조건 변화에 따라 실시간으로 동적으로 조정돼 적응한다.
아날로그 파형에 정밀도 제공하는 전치 왜곡
DPD는 고속 디지털 신호 외의 분야에서도 유용하며 아날로그 함수 생성기의 파형을 개선하는 데에도 사용할 수 있다. 이 기능은 아나로그디바이스(ADI)의 ‘ADMX1002B’([그림1]) 초저왜곡, 저잡음, 디지털 제어 임의 파형 발생기(AWG)를 통해 입증된다.
이와 동일하지만 차동 아날로그 입력 신호 수집 채널이 추가된 ADMX1001B 버전에 대해서는 추후에 더 자세히 논의한다. EVAL-ADMX100X-FMCZ 평가 키트는 이 2가지를 모두 지원한다.
![[그림1] ADMX1002B(왼쪽)는 고정밀 사인 및 임의 파형 발생기이고 ADMX1001B(오른쪽)는 유사하지만 데이터 수집 채널을 기판 형태로 추가해 ADMX1002B의 커넥터에 삽입할 수 있는 제품이다. [출처=ADI]](https://cdn.epnc.co.kr/news/photo/202502/313165_317447_2235.jpg)
ADMX1002B는 출력을 감지하고 보정하는 특허 받은 방법을 사용해 DPD 알고리즘을 활용함으로써 동급 최고 수준의 순도 차동 사인파 신호를 제공힌다([그림2]).
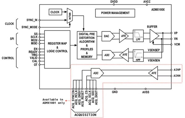
![[그림2] ADMX1002B는 DPD 알고리즘을 통합하고 최고의 정밀도를 위해 자체 출력을 감지 및 보정한다. ADMX1001B에는 데이터 수집 회로가 추가됐다(제품 구성도 오른쪽 하단에 표시). [출처=ADI]](https://cdn.epnc.co.kr/news/photo/202502/313165_317448_2259.jpg)
이 장치는 DPD 알고리즘을 사용하지 않을 때는 30헤르츠(Hz)~40킬로헤르츠(kHz)의 출력을 제공하며 DPD가 사용된 경우에는 최대 20kHz까지 출력한다. 함께 제공되는 PC 기반 그래픽 사용자 인터페이스(GUI)가 USB 연결을 통해 시스템 데모 플랫폼(SDP) 컨트롤러 기판에 연결된다.
비(Non)-DPD는 새로운 사인파 주파수 또는 진폭이 레지스터에 로드될 때의 기본 모드이며 임의 파형 생성을 위한 초기 작동 모드이기도 한다. 이 아키텍처의 특성상 ADMX1002 모듈의 성능은 비-DPD 모드에서도 부품의 기본 성능을 뛰어넘는다.
소프트웨어 또는 하드웨어에서 DPD 알고리즘을 활성화할 수 있는데 그 프로세스는 외부 레퍼런스 입력이 필요하지 않으며 특허받은 차동 시간 및 진폭 감지 방법을 활용한다.
이 알고리즘은 프로세서 루틴에서 초고순도 사인파형을 생성하기 위해 감지 입력을 ADMX1001의 출력에 연결해 사용해야 한다.
DPD를 활성화하면 1kHz에서 총 고조파 왜곡(THD)은 -130데시벨(dB)의 매우 낮은 일반 값(진폭 최대 3.62Vrms)이며 저하되는 수준은 20kHz까지 몇 데시벨에 불과하다([그림3]).
![[그림3] 주파수 대 THD 그래프를 보면 DPD를 추가하면 THD가 개선되는 것을 분명히 알 수 있다. [출처=ADI]](https://cdn.epnc.co.kr/news/photo/202502/313165_317449_2316.jpg)
DPD는 또 DPD 전후 1kHz에서의 고속 프리에 변환(FFT)(2Vrms 출력)에서 볼 수 있듯이 사인파형의 순도를 크게 개선한다([그림4]).
![[그림4] DPD 전(왼쪽) 및 후(오른쪽)의 측정값으로 확인할 수 있듯이 DPD는 기본 주파수의 홀수 및 짝수 고조파를 감쇠시켜 사인파의 순도를 크게 향상시킬 수 있다. [출처=ADI]](https://cdn.epnc.co.kr/news/photo/202502/313165_317450_2339.jpg)
단일 사인파 출력 이상 기능
또 ADMX1002B는 버스트 모드 또는 연속 모드에서 30Hz~20kHz의 투톤 사인파를 생성할 수 있다. 파형 주파수는 1마이크로헤르츠(μHz) 분해능의 고정밀로 프로그래밍할 수 있고 진폭은 1마이크로볼트(μV) 분해능으로 프로그래밍할 수 있다.
이와 함께 사용자가 프로그래밍한 AWG로 장치가 작동할 수도 있다. AWG 신호는 최대 20초 길이로 프로그래밍할 수 있으며 휘발성 메모리에 저장할 수 있다.
저장된 파형을 루프백해 연속 AWG 생성을 구현할 수 있다. ADMX1002의 출력에는 27kHz 저역 통과 필터가 포함돼 있어 이 대역 내에서 AWG 파형을 생성할 수 있다.
DC 출력도 가능하다. ADMX1002는 포지티브 및 네거티브 출력 연결 Vp와 Vn 사이에서 최대 11.3VDC의 차동 DC 출력 신호를 생성할 수 있다. 이 출력 레벨은 1μV 단위로 정밀하게 조정할 수 있다.
아날로그 입력 허용
앞서 언급했듯이 ADI는 ADMX1002의 모든 기능, 특징 및 성능과 함께 아날로그 입력 기능이 추가된 ADMX1001도 제공한다. 이 고집적 데이터 수집 솔루션은 최대 차동 입력 범위가 ±7.5V이고 최대 입력 공통 모드 범위가 ±7V인 7가지 프로그래밍 가능 이득 설정을 제공한다.
통합형 4차 안티앨리어싱 필터는 최대 -130dB의 제거율을 제공하며 1kHz 입력 톤으로 전체 범위로 측정할 경우 수집 채널의 총 작동 범위는 최대 128dB(-115dB THD)(통상)다.
결론
DPD는 단일 및 투톤 사인파와 같은 아날로그 신호와 사용자 정의 임의 파형을 정밀하게 생성할 수 있는 이점을 제공한다. THD 및 FFT와 같은 표준 파라미터로 측정한 결과 파형은 오디오 대역에 걸쳐 130dB 범위의 성능을 입증한다. ADMX1001에는 데이터 수집 기능이 추가돼 설계에 다목적성을 제공한다.
원문은 DigiKey의 TechForum/Article을 참조하세요
그래도 삭제하시겠습니까?



